XF-L15型限位閥
用途與特征:
XF―L15型限位閥是自卸車起限位作用的控製閥,用以限製車廂舉升最大轉角角度。
工作原理:
當車廂舉升轉角達到一定角度時,舉升缸或其它限位機具觸及限位閥閥杆,閥內P口與Tkoujietongxitongxiehe,qieduanxiangjushengganggongyou,chexiangtingzhijusheng,shixianxianweigongnengqijushengxianweizuoxianyong。dangchexiangjushengdaozuidazhuanjiaoweizhishi,xianweijigoujiangxianweifadexianweiganyaxiaP口與T口接通,使舉升缸供油口與T口瞬間連通,舉升缸即下降一段距離(車廂舉升轉角變小),隨車廂舉升轉角變小限位閥的限位杆恢複原始狀態同時係統壓力油再次進入舉升缸使其上升(車廂再次舉升到最大轉角位置)。在限位閥的限位杆行程範圍內(即P口的開啟―閉合―開啟)現車廂下降―舉升―下降往複變化過程,使車廂產生輕微抖動有利於將車廂內的殘留物體卸掉。該閥的工作原理示意圖如下。
技術參數/工作油液:
1.工作壓力; 21 MPa
2.工作流量; 100 L/min
3.最大行程: 6 mm
4.溫度範圍:-20一+80(C°)
5.粘度範圍:10~400 (mm2/S)
6.過慮精度:≤10 (μm)
注:油液最高汙染等級按GB/T14039之19/16執行
型號說明:
|
|
 |
|
XF-L15型限位閥連接示意圖
|
|
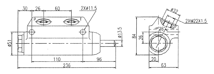
XF-L15型限位閥外型及安裝圖: