QJF-E15(20)L型氣控舉升閥
用途與特征:
QJF―E15(20)L型xing氣qi控kong舉ju升sheng閥fa是shi我wo公gong司si根gen據ju氣qi液ye控kong製zhi係xi統tong而er設she計ji製zhi造zao的de氣qi動dong控kong製zhi換huan向xiang閥fa,適shi用yong於yu重zhong載zai自zi卸xie車che液ye壓ya舉ju升sheng係xi統tong。該gai閥fa先xian導dao控kong製zhi部bu分fen以yi壓ya縮suo空kong氣qi為wei工gong作zuo介jie質zhi,通tong過guo氣qi缸gang動dong作zuo推tui動dong主zhu閥fa芯xin的de開kai或huo閉bi,從cong而er轉zhuan換huan工gong作zuo機ji能neng,在zai液ye壓ya舉ju升sheng係xi統tong中zhong起qi接jie通tong或huo卸xie荷he作zuo用yong,實shi現xian自zi卸xie汽qi車che車che箱xiang的de舉ju升sheng和he下xia降jiang。
工作原理:
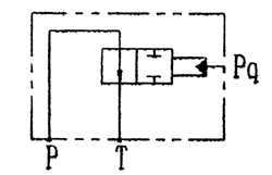
OJF―E15(20)L型氣控舉升閥的原始位置P口與T口是連通的(常開式結構)。該閥工作時,利用壓縮空氣通過氣缸推動閥芯封閉,油路由常通位置轉為工作位置,即實現車廂的舉升;切斷氣源P口與T口接通油液流入油箱,係統卸荷車廂下降。該閥的工作原理示意圖如下。
技術參數/工作油液:
1.工作壓力:20MPa
2.工作流量:100 L/min(15通徑)
160 L/min(20通徑)
3.控製氣壓:0.4―0.8 MPa
4.溫度範圍:-20一+80(C°)
5.粘度範圍:10~400 (mm2/s)
6.過慮精度:≤10 (μm)
注:油液最高汙染等級按GB/T14039之1.9/16執行。 |
|
型號說明:
|
|
 |
|
QJF型氣控舉升閥連接示意圖
|
|
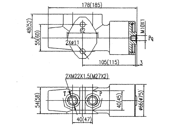
QJF-E15(20)型氣動舉升閥外型及安裝圖:
|
|
|
QJF型氣動舉升閥外型及安裝圖(括號內尺寸為20通徑)
|