4(2)
KQF型操縱氣閥
用途與特征:
4(2)KQF型操縱氣閥是一種整體式多路氣控操縱氣閥。搬動手柄可在四個(或二)個不同角度分別控製多路閥工作。具有其重量輕,體積小,對環境無汙染,靈敏度高得多等優點。是5噸位以上自卸汽車氣路控製的一種理想元件。
工作原理:
4(2)KQF型操縱氣閥的原始位置Pq口與T口是封閉的,各控製口K與TQ口相通。搬動手柄可在四個或二個不同角度。該閥的工作原理示意圖如下
技術參數:
l.工作壓力: l MPa
2.使用壓力 0.4―0.8 MPa
3.公稱通徑: 3 mm
型號說明:
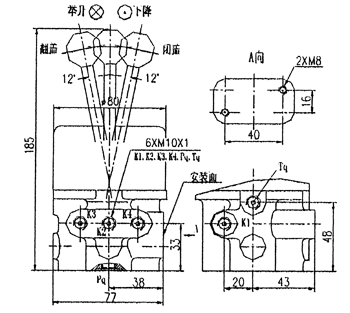
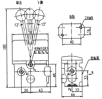
4(2)KQF型操縱氣閥的外型及安裝圖:
 |
|
4KQF型外形圖
|
|
 |
|
2KQF型外形圖
|
|
|
4(2)KQF型操縱氣閥的外型及安裝圖
|