?LQSF-L20H型組合換向閥
用途與特征:
QSF-L20H型組合換向閥是我公司根據重載多功能車市場發展的需要研製開發的新產品。該閥采用片式結構,由帶安全閥的閥、多(duo)聯(lian)小(xiao)流(liu)量(liang)換(huan)向(xiang)閥(fa)等(deng)部(bu)件(jian)組(zu)合(he)而(er)成(cheng),按(an)多(duo)功(gong)能(neng)車(che)配(pei)置(zhi)的(de)不(bu)同(tong)規(gui)格(ge)油(you)缸(gang)需(xu)要(yao)組(zu)合(he)成(cheng)多(duo)種(zhong)形(xing)式(shi)的(de)換(huan)向(xiang)閥(fa),可(ke)氣(qi)控(kong)換(huan)向(xiang)切(qie)換(huan)油(you)路(lu),也(ye)可(ke)手(shou)動(dong)換(huan)向(xiang)切(qie)換(huan)油(you)路(lu)。廣(guang)泛(fan)應(ying)用(yong)於(yu)垃(la)圾(ji)運(yun)輸(shu)車(che)、壓縮式垃圾車、煤渣運輸車、礦粉運輸車等。
工作原理及圖形符號:
工作泵(舉升泵)供油進入QSF-L20H型組合換向閥後,通過氣控(手動)操作換向閥切換油路,實現對不同執行元件(油缸)的控製。當執行元件(油缸)需要大流量的液壓油進行工作時,用油管與該組合閥中進油閥體與分流閥體之間的換向閥體進行連接,工作泵(舉升泵)輸出的液壓油將全流量通過換向閥進入執行機構(油缸);當執行元件(油缸)需要小流量的液壓油進行工作時,用油管與該組合閥中分流閥體後麵的換向閥體進行連接,工作泵(舉升泵)輸入的液壓油經分流閥後分流出一部分(30L/Min)通過換向閥進入執行機構(油缸),剩餘的液壓油直接流回油箱。
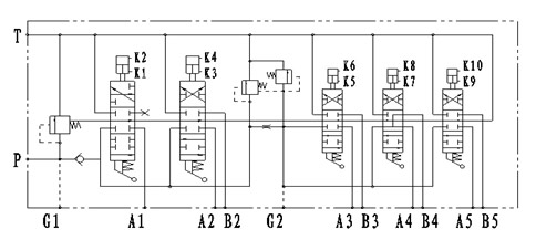
該組合閥滑閥機能有O、Y、A等幾種形式:
|
O型機能
|
Y型機能
|
A型機能
|
|
|
|
|
|
|
|
QSF-L20F-AT.OT/OT.YT.OT型組合閥圖形符號
|
型號說明:
|
|
 |
|
技術參數:
工作壓力:20 Mpa
公稱通徑:ф20 mm
工作流量:120 L / Min (P口)
分流壓力:≤16 Mpa
分流流量:≤63L/min(具體流量由用戶訂貨時確定;通常按30L/min出廠)
油液粘度範圍:10 ~ 400 mm2 / s
過濾精度:≤10 μm
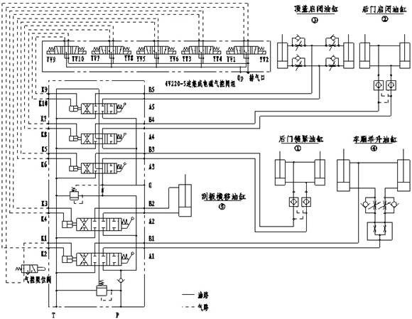
工作原理及連接示意圖:
|
|
QSF-L20F型組合閥工作原理及連接示意圖(氣控限位)
|
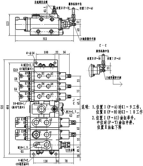
外形及安裝連接尺寸:
|
|
|
QSF-L20F-AT.OT / OT.YT.OT型組合閥外形安裝連接尺寸
|
<回產品頁>