?L33QYF-L20型舉升控製閥
用途與特征:
33QYF-L20型舉升控製閥是自卸汽車起舉升作用的控製閥,具有氣動控製功能,配合控製氣閥,可以實現遠距離(駕駛室)操作,氣控舉升閥內還裝有一個安全閥,可以使整個液壓係統壓力限定在額定壓力範圍內,起安全保護作用。
工作原理及圖形符號:
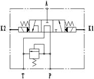
舉升、中停與下降:當自卸汽車需要舉升時,壓縮空氣通過控製氣閥進入舉升控製閥K1控製氣室,閥芯左移,壓力油通過舉升控製閥進入舉升缸下腔,車廂開始舉升;當控製氣閥關閉壓縮空氣時,閥芯回位,壓力油停止向舉升缸供油,車廂中停;當壓縮空氣通過控製氣閥進入舉升控製閥K2控製氣室,閥芯右移,車廂在重力作用下開始下降。該閥的工作原理示意圖如下:
型號說明:
|
|
 |
|
技術參數:
額定壓力:20 Mpa
公稱通徑:Ф20 mm
動作行程:± 8 mm
控製氣壓:0.5 ~ 0.8 Mpa
工作油溫範圍:-20℃ ~ +80℃
外形及安裝連接尺寸: