YIB型單級葉片泵
用途與特征:
YBN型單級葉片泵屬於雙作用式定量葉片泵。它是一種比較精密的液壓元件,具有零件數量少、結構緊湊體積小、重量輕、輸油量均勻等特點,適用於工程機械、礦山機械、尤其是磨床、插床、滾齒機等金屬切削機床,作為液壓係統的液壓能源使用
型號說明:
性能參數:
|
型號
|
工作壓力
(Mpa)
|
最高壓力
(Mpa)
|
流量(L/min)
(壓力為6.5Mpa)
|
轉速
(r/min)
|
容積效率
(%)
|
驅動功率
(KW)
|
重量
(kg)
|
|
YIB-8
|
3.5-4
|
6.5
|
≮8
|
950
|
77
|
1.4
|
9.0
|
|
YIB-12
|
3.5-4
|
6.5
|
≮12
|
950
|
77
|
2.2
|
9.2
|
|
工作油液
|
溫度範圍(℃)
|
過濾精度(μm)
|
粘度範圍(m㎡/s)
|
|
-20~+50
|
≤25
|
20~43
|
注:油液最高汙染等級按GB/T14039之19/16。
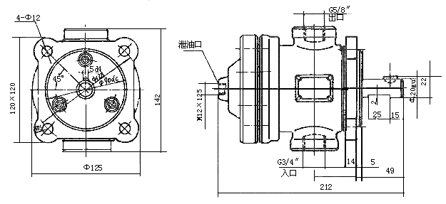
外形尺寸:

注:該泵基本型為順時針轉向,要求逆時針轉向的,訂貨時需說明。
|