CBXf係列高壓齒輪泵
用途與特征:
CBXf係列高壓齒輪泵,是CBX係列齒輪泵的升級換代產品。它采用了高強度鋁合金殼體、承載能力高的DU軸承及浮動側板等結構,具有壓力高、轉速範圍寬、重量輕、工作可靠、使用壽命長等特點。廣泛適用於工程機械、礦山機械和起重運輸機械等液壓係統中。
型號說明:
技術參數:
|
型
號
|
理論排量
(MPa)
|
壓力(MPa)
|
最高轉速
(r/min)
|
工作油液(m㎡/s) |
工作油溫(℃) |
工作油液過濾精度(μm) |
額定工況下容積效率(%) |
輸入功率
(KW)
|
重量
(kg)
|
|
額定
|
最高
|
|
CBXf3010
|
10.18
|
20
|
25
|
3000
|
20~43液壓油 |
-20~80 |
≤25 |
≥90
|
11.3
|
4.5
|
|
CBXf3016
|
16.40
|
18.2
|
4.8
|
|
CBXf3025
|
25.45
|
28.3
|
5.1
|
|
CBXf3032
|
32.23
|
35.8
|
5.5
|
| CBXf3040
|
40.15
|
44.6 |
5.8
|
|
CBXf3050
|
50.18
|
56.3
|
6.1
|
注:1.油液最高汙染等級:按GB/T14039之20/17。
2.非額定工況下(壓力、轉速)的容積效率值參見工作性能曲線。
|
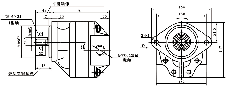
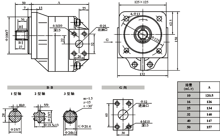
外形及安裝連接尺寸:
(1)CBXf3
(2)CBXaf3
|
|
注:
1.CBXaf3型齒輪泵額定壓力為16MPa,最高壓力為20MPa,
安裝連接尺寸與CB-F係列齒輪泵相同。
2.圖中尺寸A與CBXf3相同。
|
 |